Вердикт - Оптимален для конференций и основных офисных задач
Подойдет ли Вам Qualcomm Snapdragon или нет, зависит от Ваших потребностей. EliteBook 6 G1q 14 оптимизирован для Co-Pilot+, 5G WAN и подключения HP Go, функций веб-камеры с улучшенным искусственным интеллектом и отличной производительности процессора для своей цены при запуске ARM-нативных приложений. Однако для более специализированных приложений или приложений, перегруженных GPU, совместимость не гарантируется, и производительность может оказаться ниже ожидаемой благодаря эмуляции.
В остальном аппаратная часть, окружающая процессор, превосходна, особенно для базовой модели EliteBook. Время работы от батареи и шум вентилятора, в частности, в целом дольше и тише, соответственно, чем у большинства решений от Intel или AMD. Мы рекомендуем тщательно выбирать параметры дисплея, поскольку существуют значительные различия между конфигурациями с Sure View или без него, а также при выборе 2560 x 1600 вместо 1920 x 1200.
За
Против
Серия EliteBook 6 напрямую заменяет более старую серию EliteBook 600 и становится основной бюджетной линейкой для предприятий и офисов. Серия доступна в вариантах Intel, AMD и Qualcomm, которые называются соответственно G1i, G1a и G1q.
Наш тестовый EliteBook 6 G1q 14 представляет собой среднюю конфигурацию Qualcomm с процессором Snapdragon X Plus X1P-42-100, IPS-дисплеем 1200p и 32 ГБ оперативной памяти по цене около $1345 USD. Другие SKU поставляются с более медленным Snapdragon X X1-26-100 или более быстрым Snapdragon X Elite X1E-78-100, а также с дополнительными разрешениями дисплея до 1600p.
Конкурентами EliteBook 6 являются другие бизнес-субноутбуки, такие как Lenovo ThinkPad E14 Gen 7, Dell Pro 14 Plus, или Asus ExpertBook B5.
Больше обзоров HP:
Характеристики
Дизайн и особенности
Дизайн и качество корпуса остаются на высоте, несмотря на то, что EliteBook 6, по сути, является одной из самых недорогих моделей в семействе. Клавиатурный блок, нижняя крышка и внешняя крышка состоят из алюминия, а не из пластика, поэтому система по-прежнему ощущается как настоящий EliteBook, а не более дешевый Pavilion. Шарниры также достаточно тугие, вплоть до полного разворота на 180 градусов.
Оснащение
Для этой модели EliteBook начального уровня количество встроенных портов впечатляет. HDMI, RJ-45 и несколько портов USB-A присутствуют, в то время как в более дорогой модели EliteBook Ultra G1q не хватает многих из этих основных портов.
Имейте в виду, что модель EliteBook 6, работающая на платформе Qualcomm, не имеет опции Smart Card.
Связь
| Networking | |
| iperf3 transmit AXE11000 | |
| Asus ExpertBook B5 B5404CMA | |
| HP ProBook 445 G10 | |
| Dell Pro 14 Plus PB14255 GH77W | |
| HP EliteBook 8 G1a 14 AD3E9ET | |
| HP EliteBook 6 G1q 14 | |
| iperf3 receive AXE11000 | |
| HP ProBook 445 G10 | |
| Asus ExpertBook B5 B5404CMA | |
| HP EliteBook 8 G1a 14 AD3E9ET | |
| Dell Pro 14 Plus PB14255 GH77W | |
| HP EliteBook 6 G1q 14 | |
| iperf3 transmit AXE11000 6GHz | |
| Dell Pro 14 Plus PB14255 GH77W | |
| Asus ExpertBook B5 B5404CMA | |
| HP EliteBook 6 G1q 14 | |
| HP EliteBook 8 G1a 14 AD3E9ET | |
| iperf3 receive AXE11000 6GHz | |
| Dell Pro 14 Plus PB14255 GH77W | |
| HP EliteBook 8 G1a 14 AD3E9ET | |
| Asus ExpertBook B5 B5404CMA | |
| HP EliteBook 6 G1q 14 | |
Веб-камера
Наше тестовое устройство оснащено веб-камерой 2 МП и физическим затвором, но более дорогие конфигурации доступны как с ИК-затвором, так и с веб-камерой 5 МП более высокого разрешения.

Обслуживание
Экологичность
Шасси на 50% состоит из переработанного металла и на 20-50% - из переработанного пластика или пластика, вывезенного за океан. Упаковка в основном состоит из бумаги и картона с небольшим количеством пластиковой упаковки для адаптера переменного тока.
Аксессуары и гарантия
В коробке нет никаких дополнений. При покупке в США действует обычная годовая ограниченная гарантия производителя.
Устройства ввода
Несмотря на то, что это одна из самых дешевых моделей EliteBook, на этой системе по-прежнему приятно печатать с приятной обратной связью и ходом каждой клавиши. Клавиатуры более дорогих моделей, таких как EliteBook Ultra G1q, имеют более качественные колпачки и немного другое расположение клавиш со стрелками.
Дисплей
Доступны пять вариантов отображения информации. Наш конкретный тестовый прибор оснащен опцией, выделенной жирным шрифтом.
- 1920 x 1200, IPS, 300 нит, 60 Гц, несенсорный
- 1920 x 1200, IPS, 300 нит, 60 Гц, сенсорный
- 1920 x 1200, IPS, 400 нит, 60 Гц, несенсорный
- 1920 x 1200, IPS, 800 нит, 60 Гц, Sure View, несенсорный
- 2560 x 1600, IPS, 400 нит, 120 Гц, 100% DCI-P3, несенсорный
Этот вариант предлагает полный набор цветов sRGB, хотя и с относительно медленным временем отклика на черно-белые цвета, без заводской калибровки цветов и только с частотой обновления 60 Гц. Возможности сенсорного экрана ограничены только низкокачественной панелью с яркостью 300 нит, а сверхъяркая панель предназначена только для Sure View. Однако для базового просмотра веб-страниц, потокового вещания и любительского редактирования изображений вполне достаточно 400-нитовой панели с цветами sRGB.
| |||||||||||||||||||||||||
Равномерность подсветки: 94 %
От батареи: 434.4 cd/m²
Контрастность: 3342:1 (Уровень чёрного: 0.13 cd/m²)
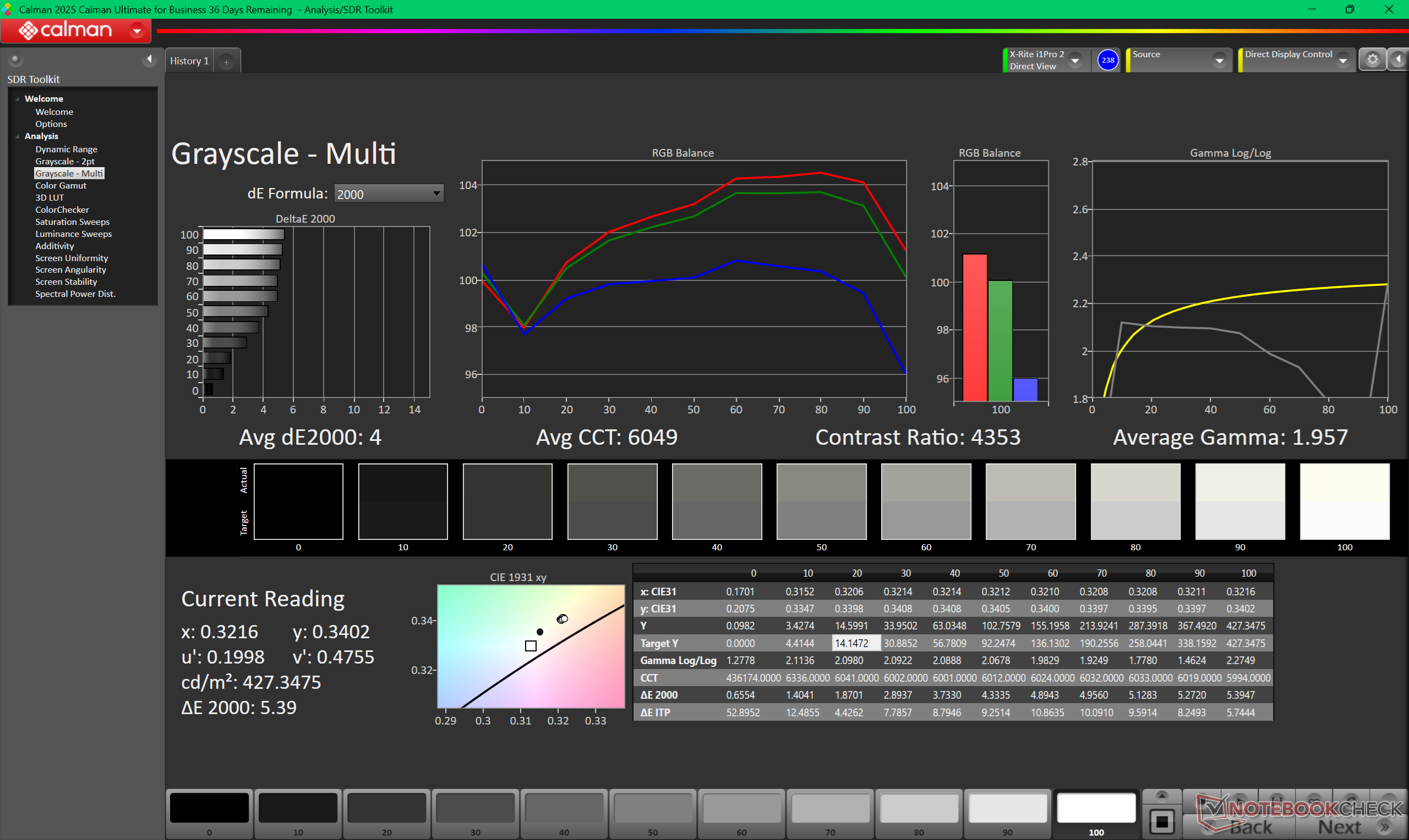
ΔE ColorChecker Calman: 3.31 | ∀{0.5-29.43 Ø4.77}
ΔE Greyscale Calman: 4 | ∀{0.09-98 Ø5}
Gamma: 1.96
CCT: 6049 K
| HP EliteBook 6 G1q 14 LG Philips LGD079D, IPS, 1920x1200, 14", 90 Hz | HP EliteBook 8 G1a 14 AD3E9ET LGD079D, IPS LED, 1920x1200, 14", 60 Hz | HP ProBook 445 G10 AUO2FA6, IPS, 1920x1080, 14", 60 Hz | Lenovo ThinkPad E14 G7-21SYS00H00 TL140ADXP22, IPS, 2880x1800, 14", 120 Hz | Dell Pro 14 Plus PB14255 GH77W LP140WU4, IPS LED, 1920x1200, 14", 60 Hz | Asus ExpertBook B5 B5404CMA BOE NV140WUM-N43, IPS, 1920x1200, 14", 60 Hz | |
|---|---|---|---|---|---|---|
| Display | ||||||
| Display P3 Coverage (%) | 67.1 | 68.4 | 72.2 | 37.5 | 39.7 | |
| sRGB Coverage (%) | 96 | 95.2 | 100 | 56.3 | 59.1 | |
| AdobeRGB 1998 Coverage (%) | 69.2 | 70.6 | 73.7 | 38.8 | 41.1 | |
| Response Times | 31% | 14% | 44% | 41% | 54% | |
| Response Time Grey 50% / Grey 80% * (ms) | 50.2 ? | 31.4 ? 37% | 53.4 ? -6% | 32.7 ? 35% | 27.1 ? 46% | 23.65 ? 53% |
| Response Time Black / White * (ms) | 32.6 ? | 24.5 ? 25% | 21.8 ? 33% | 15.7 ? 52% | 21.1 ? 35% | 14.83 ? 55% |
| PWM Frequency (Hz) | ||||||
| Параметры экрана | -17% | -12% | -6% | -58% | -74% | |
| Яркость в центре (cd/m²) | 434.4 | 444 2% | 501 15% | 389 -10% | 315 -27% | 290 -33% |
| Brightness (cd/m²) | 423 | 434 3% | 464 10% | 363 -14% | 295 -30% | 281 -34% |
| Brightness Distribution (%) | 94 | 94 0% | 87 -7% | 89 -5% | 87 -7% | 79 -16% |
| Уровень чёрного * (cd/m²) | 0.13 | 0.19 -46% | 0.26 -100% | 0.24 -85% | 0.25 -92% | 0.22 -69% |
| Контрастность (:1) | 3342 | 2337 -30% | 1927 -42% | 1621 -51% | 1260 -62% | 1318 -61% |
| Colorchecker Delta E * | 3.31 | 3.4 -3% | 2.64 20% | 1.7 49% | 6 -81% | 6.61 -100% |
| Colorchecker dE 2000 max. * | 5.44 | 7 -29% | 5.06 7% | 3.5 36% | 15.2 -179% | 20.32 -274% |
| Delta E для серого * | 4 | 5.2 -30% | 3.8 5% | 2.8 30% | 3.3 17% | 4.1 -3% |
| Гамма | 1.96 112% | 2.04 108% | 2.103 105% | 2.17 101% | 2.02 109% | 1.81 122% |
| CCT | 6049 107% | 6295 103% | 6562 99% | 6572 99% | 6140 106% | 7048 92% |
| Colorchecker dE 2000 calibrated * | 1.7 | 1.57 | 1.2 | 5.1 | 4.25 | |
| Среднее значение | 7% /
-7% | 1% /
-7% | 19% /
4% | -9% /
-38% | -10% /
-48% |
* ... меньше = лучше
Панель прилично откалибрована только из коробки с ее слишком теплой цветовой температурой и относительно низкими средними значениями дельтаЭ серого и цвета - 4,0 и 3,31, соответственно. Хотя это неплохо для бюджетного бизнес-ноутбука, калибровка для конечного пользователя может оказаться более сложной, поскольку программное обеспечение X-Rite в настоящее время не совместимо с машинами ARM.
Дисплей: тест на время отклика
| ↔ Перемена цвета пикселей, чёрный - белый (1) и белый - чёрный (2) | ||
|---|---|---|
| 32.6 ms ... стадия 1 ↗ и стадия 2 ↘ в сумме | ↗ 14.9 ms стадия 1 | |
| ↘ 17.7 ms стадия 2 | ||
| Это очень большое время отклика. Экран явно не ориентирован на игры и подобные применения. Для сравнения, самый лучший результат среди всех известных нам устройств равен 0.1 миллисек., самый худший - 240 миллисек. » 88% экранов из нашей базы данных показали более хороший результат. Таким образом, тестируемое устройство находится в нижней половине рейтинга (оно отстаёт от среднего результата, равного 20.2 миллисек.) | ||
| ↔ Перемена цвета пикселей, серый 50% - серый 80% (1) и серый 80% - серый 50% (2) | ||
| 50.2 ms ... стадия 1 ↗ и стадия 2 ↘ в сумме | ↗ 22.2 ms стадия 1 | |
| ↘ 28 ms стадия 2 | ||
| Это очень большое время отклика. Экран явно не ориентирован на игры и подобные применения. Для сравнения, самый лучший результат среди всех известных нам устройств равен 0.165 миллисек., самый худший - 636 миллисек. » 86% экранов из нашей базы данных показали более хороший результат. Таким образом, тестируемое устройство находится в нижней половине рейтинга (оно отстаёт от среднего результата, равного 31.6 миллисек.) | ||
Тест на мерцание
| Ура! ШИМ не обнаружено | |||
Для сравнения, 53 % известных нам устройств не применяют PWM для изменения яркости, а среди тех, где PWM используется, типичная частота модуляции составляет 8084 Гц (мин. 5 Гц, макс. 343500 Гц). | |||
Производительность
Условия тестирования
Мы перевели Windows в режим "Производительность" перед тем, как запустить приведенные ниже бенчмарки.
Процессор
Прямое сравнение производительности процессора с типичными ноутбуками x86 может быть затруднительным. Если приложение работает на Windows ARM, то наш Snapdragon X Plus X1P-42-100 может превзойти даже Lunar Lake Core Ultra 7 258V более чем на 30 процентов в необработанных многопоточных рабочих нагрузках. Однако если приложение должно быть эмулировано, то наш процессор Snapdragon может работать на 25% медленнее, чтобы быть на одном уровне с более старыми процессорами серии U, такими как Ryzen 5 7530U.
Обновление до Snapdragon X Elite X1E-78-100 с нашего Snapdragon X Plus X1P-42-100, как ожидается, увеличит производительность на 10-15%, в то время как понижение до Snapdragon X X1-26-100 повлечет за собой снижение производительности на 15 процентов.
Многопоточный тест Cinebench R15
Cinebench R23: Multi Core | Single Core
Cinebench R20: CPU (Multi Core) | CPU (Single Core)
Cinebench R15: CPU Multi 64Bit | CPU Single 64Bit
Blender: v2.79 BMW27 CPU
7-Zip 18.03: 7z b 4 | 7z b 4 -mmt1
Geekbench 6.5: Multi-Core | Single-Core
Geekbench 5.5: Multi-Core | Single-Core
HWBOT x265 Benchmark v2.2: 4k Preset
LibreOffice : 20 Documents To PDF
R Benchmark 2.5: Overall mean
Cinebench 2024: CPU Multi Core | CPU Single Core
| CPU Performance rating | |
| HP EliteBook 8 G1a 14 AD3E9ET -2! | |
| Dell Pro 14 Plus PB14255 GH77W -2! | |
| Lenovo ThinkPad T14 Gen 6 21QG001VGE -2! | |
| HP OmniBook X Flip 16 | |
| Honor MagicBook Art 14 Snapdragon -2! | |
| Asus ExpertBook B5 B5404CMA -2! | |
| Lenovo ThinkPad E14 Gen 7 21U2002QGE | |
| HP OmniBook X 14 -3! | |
| HP Omnibook 5 14 | |
| Samsung Galaxy Book4 Edge 14 -2! | |
| HP ProBook 445 G10 -2! | |
| HP EliteBook 6 G1q 14 -2! | |
| Усредн. модель с Qualcomm Snapdragon X Plus X1P-42-100 | |
| Asus ZenBook A14 UX3407QA -2! | |
| Cinebench R23 / Multi Core | |
| Dell Pro 14 Plus PB14255 GH77W | |
| HP EliteBook 8 G1a 14 AD3E9ET | |
| Lenovo ThinkPad T14 Gen 6 21QG001VGE | |
| Honor MagicBook Art 14 Snapdragon | |
| Asus ExpertBook B5 B5404CMA | |
| HP OmniBook X Flip 16 | |
| HP OmniBook X 14 | |
| Lenovo ThinkPad E14 Gen 7 21U2002QGE | |
| HP EliteBook 6 G1q 14 | |
| HP ProBook 445 G10 | |
| HP Omnibook 5 14 | |
| Усредн. модель с Qualcomm Snapdragon X Plus X1P-42-100 (6062 - 8284, n=10) | |
| Asus ZenBook A14 UX3407QA | |
| Samsung Galaxy Book4 Edge 14 | |
| Cinebench R23 / Single Core | |
| Dell Pro 14 Plus PB14255 GH77W | |
| Lenovo ThinkPad T14 Gen 6 21QG001VGE | |
| HP OmniBook X Flip 16 | |
| Lenovo ThinkPad E14 Gen 7 21U2002QGE | |
| Asus ExpertBook B5 B5404CMA | |
| HP EliteBook 8 G1a 14 AD3E9ET | |
| HP ProBook 445 G10 | |
| Honor MagicBook Art 14 Snapdragon | |
| Samsung Galaxy Book4 Edge 14 | |
| HP EliteBook 6 G1q 14 | |
| HP OmniBook X 14 | |
| Усредн. модель с Qualcomm Snapdragon X Plus X1P-42-100 (1065 - 1134, n=10) | |
| HP Omnibook 5 14 | |
| Asus ZenBook A14 UX3407QA | |
| Cinebench R20 / CPU (Multi Core) | |
| Dell Pro 14 Plus PB14255 GH77W | |
| HP EliteBook 8 G1a 14 AD3E9ET | |
| Lenovo ThinkPad T14 Gen 6 21QG001VGE | |
| HP OmniBook X 14 | |
| Honor MagicBook Art 14 Snapdragon | |
| Asus ExpertBook B5 B5404CMA | |
| HP OmniBook X Flip 16 | |
| Lenovo ThinkPad E14 Gen 7 21U2002QGE | |
| HP EliteBook 6 G1q 14 | |
| HP ProBook 445 G10 | |
| Усредн. модель с Qualcomm Snapdragon X Plus X1P-42-100 (2361 - 3125, n=10) | |
| HP Omnibook 5 14 | |
| Asus ZenBook A14 UX3407QA | |
| Samsung Galaxy Book4 Edge 14 | |
| Cinebench R20 / CPU (Single Core) | |
| Dell Pro 14 Plus PB14255 GH77W | |
| Lenovo ThinkPad T14 Gen 6 21QG001VGE | |
| HP OmniBook X Flip 16 | |
| HP EliteBook 8 G1a 14 AD3E9ET | |
| Lenovo ThinkPad E14 Gen 7 21U2002QGE | |
| Asus ExpertBook B5 B5404CMA | |
| HP ProBook 445 G10 | |
| Honor MagicBook Art 14 Snapdragon | |
| Samsung Galaxy Book4 Edge 14 | |
| HP EliteBook 6 G1q 14 | |
| HP OmniBook X 14 | |
| Усредн. модель с Qualcomm Snapdragon X Plus X1P-42-100 (406 - 427, n=10) | |
| HP Omnibook 5 14 | |
| Asus ZenBook A14 UX3407QA | |
| Cinebench R15 / CPU Multi 64Bit | |
| HP OmniBook X 14 | |
| Honor MagicBook Art 14 Snapdragon | |
| HP EliteBook 8 G1a 14 AD3E9ET | |
| Dell Pro 14 Plus PB14255 GH77W | |
| Asus ExpertBook B5 B5404CMA | |
| Lenovo ThinkPad T14 Gen 6 21QG001VGE | |
| HP OmniBook X Flip 16 | |
| HP EliteBook 6 G1q 14 | |
| Lenovo ThinkPad E14 Gen 7 21U2002QGE | |
| HP Omnibook 5 14 | |
| Samsung Galaxy Book4 Edge 14 | |
| Усредн. модель с Qualcomm Snapdragon X Plus X1P-42-100 (1191 - 1560, n=10) | |
| Asus ZenBook A14 UX3407QA | |
| HP ProBook 445 G10 | |
| Cinebench R15 / CPU Single 64Bit | |
| Lenovo ThinkPad T14 Gen 6 21QG001VGE | |
| HP OmniBook X Flip 16 | |
| Lenovo ThinkPad E14 Gen 7 21U2002QGE | |
| HP EliteBook 8 G1a 14 AD3E9ET | |
| Honor MagicBook Art 14 Snapdragon | |
| Asus ExpertBook B5 B5404CMA | |
| Samsung Galaxy Book4 Edge 14 | |
| HP ProBook 445 G10 | |
| HP OmniBook X 14 | |
| HP EliteBook 6 G1q 14 | |
| Усредн. модель с Qualcomm Snapdragon X Plus X1P-42-100 (206 - 215, n=10) | |
| HP Omnibook 5 14 | |
| Dell Pro 14 Plus PB14255 GH77W | |
| Asus ZenBook A14 UX3407QA | |
| Blender / v2.79 BMW27 CPU | |
| Samsung Galaxy Book4 Edge 14 | |
| Asus ZenBook A14 UX3407QA | |
| Усредн. модель с Qualcomm Snapdragon X Plus X1P-42-100 (398 - 683, n=10) | |
| HP Omnibook 5 14 | |
| Lenovo ThinkPad E14 Gen 7 21U2002QGE | |
| HP EliteBook 6 G1q 14 | |
| HP ProBook 445 G10 | |
| HP OmniBook X 14 | |
| Honor MagicBook Art 14 Snapdragon | |
| HP OmniBook X Flip 16 | |
| Lenovo ThinkPad T14 Gen 6 21QG001VGE | |
| Asus ExpertBook B5 B5404CMA | |
| Dell Pro 14 Plus PB14255 GH77W | |
| HP EliteBook 8 G1a 14 AD3E9ET | |
| 7-Zip 18.03 / 7z b 4 | |
| HP EliteBook 8 G1a 14 AD3E9ET | |
| Dell Pro 14 Plus PB14255 GH77W | |
| HP OmniBook X 14 | |
| Honor MagicBook Art 14 Snapdragon | |
| Asus ExpertBook B5 B5404CMA | |
| HP ProBook 445 G10 | |
| Lenovo ThinkPad T14 Gen 6 21QG001VGE | |
| HP OmniBook X Flip 16 | |
| Samsung Galaxy Book4 Edge 14 | |
| HP Omnibook 5 14 | |
| HP EliteBook 6 G1q 14 | |
| Усредн. модель с Qualcomm Snapdragon X Plus X1P-42-100 (29238 - 32811, n=10) | |
| Asus ZenBook A14 UX3407QA | |
| Lenovo ThinkPad E14 Gen 7 21U2002QGE | |
| 7-Zip 18.03 / 7z b 4 -mmt1 | |
| HP EliteBook 8 G1a 14 AD3E9ET | |
| Dell Pro 14 Plus PB14255 GH77W | |
| Lenovo ThinkPad T14 Gen 6 21QG001VGE | |
| HP OmniBook X Flip 16 | |
| HP ProBook 445 G10 | |
| Lenovo ThinkPad E14 Gen 7 21U2002QGE | |
| Honor MagicBook Art 14 Snapdragon | |
| Samsung Galaxy Book4 Edge 14 | |
| Asus ExpertBook B5 B5404CMA | |
| HP Omnibook 5 14 | |
| HP OmniBook X 14 | |
| HP EliteBook 6 G1q 14 | |
| Усредн. модель с Qualcomm Snapdragon X Plus X1P-42-100 (4087 - 4675, n=10) | |
| Asus ZenBook A14 UX3407QA | |
| Geekbench 6.5 / Multi-Core | |
| Honor MagicBook Art 14 Snapdragon | |
| HP Omnibook 5 14 | |
| Samsung Galaxy Book4 Edge 14 | |
| HP OmniBook X 14 | |
| Dell Pro 14 Plus PB14255 GH77W | |
| HP EliteBook 6 G1q 14 | |
| Усредн. модель с Qualcomm Snapdragon X Plus X1P-42-100 (7609 - 14998, n=10) | |
| HP EliteBook 8 G1a 14 AD3E9ET | |
| Lenovo ThinkPad T14 Gen 6 21QG001VGE | |
| HP OmniBook X Flip 16 | |
| Asus ZenBook A14 UX3407QA | |
| Lenovo ThinkPad E14 Gen 7 21U2002QGE | |
| Asus ExpertBook B5 B5404CMA | |
| HP ProBook 445 G10 | |
| Geekbench 6.5 / Single-Core | |
| Honor MagicBook Art 14 Snapdragon | |
| Dell Pro 14 Plus PB14255 GH77W | |
| Lenovo ThinkPad T14 Gen 6 21QG001VGE | |
| Samsung Galaxy Book4 Edge 14 | |
| HP OmniBook X Flip 16 | |
| HP Omnibook 5 14 | |
| HP EliteBook 8 G1a 14 AD3E9ET | |
| Lenovo ThinkPad E14 Gen 7 21U2002QGE | |
| HP OmniBook X 14 | |
| HP EliteBook 6 G1q 14 | |
| Усредн. модель с Qualcomm Snapdragon X Plus X1P-42-100 (2271 - 2675, n=9) | |
| Asus ExpertBook B5 B5404CMA | |
| Asus ZenBook A14 UX3407QA | |
| HP ProBook 445 G10 | |
| Geekbench 5.5 / Multi-Core | |
| Dell Pro 14 Plus PB14255 GH77W | |
| HP EliteBook 8 G1a 14 AD3E9ET | |
| Lenovo ThinkPad T14 Gen 6 21QG001VGE | |
| HP OmniBook X Flip 16 | |
| Lenovo ThinkPad E14 Gen 7 21U2002QGE | |
| Asus ExpertBook B5 B5404CMA | |
| HP Omnibook 5 14 | |
| Усредн. модель с Qualcomm Snapdragon X Plus X1P-42-100 (4457 - 8618, n=3) | |
| HP ProBook 445 G10 | |
| Geekbench 5.5 / Single-Core | |
| Dell Pro 14 Plus PB14255 GH77W | |
| Lenovo ThinkPad T14 Gen 6 21QG001VGE | |
| HP OmniBook X Flip 16 | |
| HP EliteBook 8 G1a 14 AD3E9ET | |
| Lenovo ThinkPad E14 Gen 7 21U2002QGE | |
| Asus ExpertBook B5 B5404CMA | |
| HP Omnibook 5 14 | |
| Усредн. модель с Qualcomm Snapdragon X Plus X1P-42-100 (1486 - 1669, n=3) | |
| HP ProBook 445 G10 | |
| HWBOT x265 Benchmark v2.2 / 4k Preset | |
| Dell Pro 14 Plus PB14255 GH77W | |
| HP EliteBook 8 G1a 14 AD3E9ET | |
| Lenovo ThinkPad T14 Gen 6 21QG001VGE | |
| HP OmniBook X Flip 16 | |
| Asus ExpertBook B5 B5404CMA | |
| Lenovo ThinkPad E14 Gen 7 21U2002QGE | |
| HP ProBook 445 G10 | |
| Honor MagicBook Art 14 Snapdragon | |
| HP OmniBook X 14 | |
| HP EliteBook 6 G1q 14 | |
| HP Omnibook 5 14 | |
| Усредн. модель с Qualcomm Snapdragon X Plus X1P-42-100 (3.16 - 6.18, n=10) | |
| Samsung Galaxy Book4 Edge 14 | |
| Asus ZenBook A14 UX3407QA | |
| LibreOffice / 20 Documents To PDF | |
| Dell Pro 14 Plus PB14255 GH77W | |
| Asus ZenBook A14 UX3407QA | |
| HP EliteBook 8 G1a 14 AD3E9ET | |
| Усредн. модель с Qualcomm Snapdragon X Plus X1P-42-100 (49.8 - 62.7, n=10) | |
| HP Omnibook 5 14 | |
| Asus ExpertBook B5 B5404CMA | |
| HP ProBook 445 G10 | |
| Lenovo ThinkPad E14 Gen 7 21U2002QGE | |
| Samsung Galaxy Book4 Edge 14 | |
| Honor MagicBook Art 14 Snapdragon | |
| HP EliteBook 6 G1q 14 | |
| Lenovo ThinkPad T14 Gen 6 21QG001VGE | |
| HP OmniBook X Flip 16 | |
| R Benchmark 2.5 / Overall mean | |
| Asus ZenBook A14 UX3407QA | |
| Усредн. модель с Qualcomm Snapdragon X Plus X1P-42-100 (0.728 - 0.777, n=10) | |
| HP EliteBook 6 G1q 14 | |
| HP Omnibook 5 14 | |
| HP OmniBook X 14 | |
| Dell Pro 14 Plus PB14255 GH77W | |
| Samsung Galaxy Book4 Edge 14 | |
| Honor MagicBook Art 14 Snapdragon | |
| HP ProBook 445 G10 | |
| Asus ExpertBook B5 B5404CMA | |
| Lenovo ThinkPad E14 Gen 7 21U2002QGE | |
| HP EliteBook 8 G1a 14 AD3E9ET | |
| Lenovo ThinkPad T14 Gen 6 21QG001VGE | |
| HP OmniBook X Flip 16 | |
| Cinebench 2024 / CPU Multi Core | |
| Honor MagicBook Art 14 Snapdragon | |
| HP OmniBook X 14 | |
| HP EliteBook 6 G1q 14 | |
| HP Omnibook 5 14 | |
| Усредн. модель с Qualcomm Snapdragon X Plus X1P-42-100 (554 - 763, n=11) | |
| Asus ZenBook A14 UX3407QA | |
| Samsung Galaxy Book4 Edge 14 | |
| HP OmniBook X Flip 16 | |
| Lenovo ThinkPad E14 Gen 7 21U2002QGE | |
| Cinebench 2024 / CPU Single Core | |
| Honor MagicBook Art 14 Snapdragon | |
| Samsung Galaxy Book4 Edge 14 | |
| HP OmniBook X Flip 16 | |
| Усредн. модель с Qualcomm Snapdragon X Plus X1P-42-100 (107 - 109, n=10) | |
| HP OmniBook X 14 | |
| HP Omnibook 5 14 | |
| HP EliteBook 6 G1q 14 | |
| Lenovo ThinkPad E14 Gen 7 21U2002QGE | |
| Asus ZenBook A14 UX3407QA | |
Cinebench R23: Multi Core | Single Core
Cinebench R20: CPU (Multi Core) | CPU (Single Core)
Cinebench R15: CPU Multi 64Bit | CPU Single 64Bit
Blender: v2.79 BMW27 CPU
7-Zip 18.03: 7z b 4 | 7z b 4 -mmt1
Geekbench 6.5: Multi-Core | Single-Core
Geekbench 5.5: Multi-Core | Single-Core
HWBOT x265 Benchmark v2.2: 4k Preset
LibreOffice : 20 Documents To PDF
R Benchmark 2.5: Overall mean
Cinebench 2024: CPU Multi Core | CPU Single Core
* ... меньше = лучше
AIDA64: FP32 Ray-Trace | FPU Julia | CPU SHA3 | CPU Queen | FPU SinJulia | FPU Mandel | CPU AES | CPU ZLib | FP64 Ray-Trace | CPU PhotoWorxx
| Performance rating | |
| HP EliteBook 8 G1a 14 AD3E9ET | |
| Dell Pro 14 Plus PB14255 GH77W | |
| Lenovo ThinkPad E14 Gen 7 21U2002QGE | |
| Asus ExpertBook B5 B5404CMA | |
| HP ProBook 445 G10 | |
| HP EliteBook 6 G1q 14 | |
| Усредн. модель с Qualcomm Snapdragon X Plus X1P-42-100 | |
| AIDA64 / FP32 Ray-Trace | |
| Dell Pro 14 Plus PB14255 GH77W | |
| HP EliteBook 8 G1a 14 AD3E9ET | |
| Lenovo ThinkPad E14 Gen 7 21U2002QGE | |
| HP ProBook 445 G10 | |
| Asus ExpertBook B5 B5404CMA | |
| HP EliteBook 6 G1q 14 | |
| Усредн. модель с Qualcomm Snapdragon X Plus X1P-42-100 (1480 - 6208, n=9) | |
| AIDA64 / FPU Julia | |
| HP EliteBook 8 G1a 14 AD3E9ET | |
| Dell Pro 14 Plus PB14255 GH77W | |
| Lenovo ThinkPad E14 Gen 7 21U2002QGE | |
| HP ProBook 445 G10 | |
| Asus ExpertBook B5 B5404CMA | |
| HP EliteBook 6 G1q 14 | |
| Усредн. модель с Qualcomm Snapdragon X Plus X1P-42-100 (14234 - 17629, n=9) | |
| AIDA64 / CPU SHA3 | |
| HP EliteBook 8 G1a 14 AD3E9ET | |
| Dell Pro 14 Plus PB14255 GH77W | |
| HP EliteBook 6 G1q 14 | |
| Lenovo ThinkPad E14 Gen 7 21U2002QGE | |
| Asus ExpertBook B5 B5404CMA | |
| Усредн. модель с Qualcomm Snapdragon X Plus X1P-42-100 (2036 - 2642, n=9) | |
| HP ProBook 445 G10 | |
| AIDA64 / CPU Queen | |
| HP EliteBook 8 G1a 14 AD3E9ET | |
| Dell Pro 14 Plus PB14255 GH77W | |
| HP ProBook 445 G10 | |
| HP EliteBook 6 G1q 14 | |
| Усредн. модель с Qualcomm Snapdragon X Plus X1P-42-100 (44346 - 48641, n=9) | |
| Lenovo ThinkPad E14 Gen 7 21U2002QGE | |
| Asus ExpertBook B5 B5404CMA | |
| AIDA64 / FPU SinJulia | |
| HP EliteBook 8 G1a 14 AD3E9ET | |
| Dell Pro 14 Plus PB14255 GH77W | |
| HP ProBook 445 G10 | |
| Asus ExpertBook B5 B5404CMA | |
| Lenovo ThinkPad E14 Gen 7 21U2002QGE | |
| HP EliteBook 6 G1q 14 | |
| Усредн. модель с Qualcomm Snapdragon X Plus X1P-42-100 (1240 - 1502, n=9) | |
| AIDA64 / FPU Mandel | |
| HP EliteBook 8 G1a 14 AD3E9ET | |
| Dell Pro 14 Plus PB14255 GH77W | |
| HP ProBook 445 G10 | |
| Lenovo ThinkPad E14 Gen 7 21U2002QGE | |
| Asus ExpertBook B5 B5404CMA | |
| HP EliteBook 6 G1q 14 | |
| Усредн. модель с Qualcomm Snapdragon X Plus X1P-42-100 (4929 - 9953, n=9) | |
| AIDA64 / CPU AES | |
| HP EliteBook 8 G1a 14 AD3E9ET | |
| Dell Pro 14 Plus PB14255 GH77W | |
| Asus ExpertBook B5 B5404CMA | |
| HP EliteBook 6 G1q 14 | |
| Усредн. модель с Qualcomm Snapdragon X Plus X1P-42-100 (37646 - 45232, n=9) | |
| Lenovo ThinkPad E14 Gen 7 21U2002QGE | |
| HP ProBook 445 G10 | |
| AIDA64 / CPU ZLib | |
| HP EliteBook 8 G1a 14 AD3E9ET | |
| Dell Pro 14 Plus PB14255 GH77W | |
| Asus ExpertBook B5 B5404CMA | |
| Lenovo ThinkPad E14 Gen 7 21U2002QGE | |
| HP EliteBook 6 G1q 14 | |
| HP ProBook 445 G10 | |
| Усредн. модель с Qualcomm Snapdragon X Plus X1P-42-100 (473 - 524, n=9) | |
| AIDA64 / FP64 Ray-Trace | |
| Dell Pro 14 Plus PB14255 GH77W | |
| HP EliteBook 8 G1a 14 AD3E9ET | |
| Lenovo ThinkPad E14 Gen 7 21U2002QGE | |
| HP ProBook 445 G10 | |
| Asus ExpertBook B5 B5404CMA | |
| HP EliteBook 6 G1q 14 | |
| Усредн. модель с Qualcomm Snapdragon X Plus X1P-42-100 (2262 - 3430, n=9) | |
| AIDA64 / CPU PhotoWorxx | |
| Lenovo ThinkPad E14 Gen 7 21U2002QGE | |
| HP EliteBook 8 G1a 14 AD3E9ET | |
| Dell Pro 14 Plus PB14255 GH77W | |
| Asus ExpertBook B5 B5404CMA | |
| HP EliteBook 6 G1q 14 | |
| Усредн. модель с Qualcomm Snapdragon X Plus X1P-42-100 (31088 - 32478, n=9) | |
| HP ProBook 445 G10 | |
CrossMark: Overall | Productivity | Creativity | Responsiveness
WebXPRT 3: Overall
WebXPRT 4: Overall
Mozilla Kraken 1.1: Total
Geekbench AI: Quantized GPU 1.5 | Half Precision GPU 1.5 | Single Precision GPU 1.5
| Performance rating | |
| Dell Pro 14 Plus PB14255 GH77W -3! | |
| HP EliteBook 6 G1q 14 | |
| Усредн. модель с Qualcomm Snapdragon X Plus X1P-42-100, Qualcomm SD X Adreno X1-45 1.7 TFLOPS | |
| HP EliteBook 8 G1a 14 AD3E9ET -3! | |
| Lenovo ThinkPad E14 Gen 7 21U2002QGE -3! | |
| Asus ExpertBook B5 B5404CMA -3! | |
| CrossMark / Overall | |
| Dell Pro 14 Plus PB14255 GH77W | |
| HP EliteBook 8 G1a 14 AD3E9ET | |
| Lenovo ThinkPad E14 Gen 7 21U2002QGE | |
| Asus ExpertBook B5 B5404CMA | |
| Усредн. модель с Qualcomm Snapdragon X Plus X1P-42-100, Qualcomm SD X Adreno X1-45 1.7 TFLOPS (1061 - 1463, n=10) | |
| HP EliteBook 6 G1q 14 | |
| CrossMark / Productivity | |
| Dell Pro 14 Plus PB14255 GH77W | |
| HP EliteBook 8 G1a 14 AD3E9ET | |
| Asus ExpertBook B5 B5404CMA | |
| Lenovo ThinkPad E14 Gen 7 21U2002QGE | |
| Усредн. модель с Qualcomm Snapdragon X Plus X1P-42-100, Qualcomm SD X Adreno X1-45 1.7 TFLOPS (1059 - 1284, n=10) | |
| HP EliteBook 6 G1q 14 | |
| CrossMark / Creativity | |
| Dell Pro 14 Plus PB14255 GH77W | |
| HP EliteBook 8 G1a 14 AD3E9ET | |
| Lenovo ThinkPad E14 Gen 7 21U2002QGE | |
| Asus ExpertBook B5 B5404CMA | |
| Усредн. модель с Qualcomm Snapdragon X Plus X1P-42-100, Qualcomm SD X Adreno X1-45 1.7 TFLOPS (1070 - 1660, n=10) | |
| HP EliteBook 6 G1q 14 | |
| CrossMark / Responsiveness | |
| Dell Pro 14 Plus PB14255 GH77W | |
| Asus ExpertBook B5 B5404CMA | |
| HP EliteBook 8 G1a 14 AD3E9ET | |
| Lenovo ThinkPad E14 Gen 7 21U2002QGE | |
| Усредн. модель с Qualcomm Snapdragon X Plus X1P-42-100, Qualcomm SD X Adreno X1-45 1.7 TFLOPS (989 - 1563, n=10) | |
| HP EliteBook 6 G1q 14 | |
| WebXPRT 3 / Overall | |
| HP EliteBook 6 G1q 14 | |
| Усредн. модель с Qualcomm Snapdragon X Plus X1P-42-100, Qualcomm SD X Adreno X1-45 1.7 TFLOPS (129.9 - 426, n=10) | |
| Dell Pro 14 Plus PB14255 GH77W | |
| HP EliteBook 8 G1a 14 AD3E9ET | |
| Lenovo ThinkPad E14 Gen 7 21U2002QGE | |
| Asus ExpertBook B5 B5404CMA | |
| WebXPRT 4 / Overall | |
| HP EliteBook 6 G1q 14 | |
| Усредн. модель с Qualcomm Snapdragon X Plus X1P-42-100, Qualcomm SD X Adreno X1-45 1.7 TFLOPS (130.3 - 289, n=10) | |
| Lenovo ThinkPad E14 Gen 7 21U2002QGE | |
| Asus ExpertBook B5 B5404CMA | |
| HP EliteBook 8 G1a 14 AD3E9ET | |
| Dell Pro 14 Plus PB14255 GH77W | |
| Mozilla Kraken 1.1 / Total | |
| Усредн. модель с Qualcomm Snapdragon X Plus X1P-42-100, Qualcomm SD X Adreno X1-45 1.7 TFLOPS (396 - 1145, n=10) | |
| HP EliteBook 8 G1a 14 AD3E9ET | |
| Lenovo ThinkPad E14 Gen 7 21U2002QGE | |
| Asus ExpertBook B5 B5404CMA | |
| Dell Pro 14 Plus PB14255 GH77W | |
| HP EliteBook 6 G1q 14 | |
| Geekbench AI / Quantized GPU 1.5 | |
| Усредн. модель с Qualcomm Snapdragon X Plus X1P-42-100, Qualcomm SD X Adreno X1-45 1.7 TFLOPS (40257 - 40994, n=3) | |
| HP EliteBook 6 G1q 14 | |
| Geekbench AI / Half Precision GPU 1.5 | |
| Усредн. модель с Qualcomm Snapdragon X Plus X1P-42-100, Qualcomm SD X Adreno X1-45 1.7 TFLOPS (16463 - 16672, n=3) | |
| HP EliteBook 6 G1q 14 | |
| Geekbench AI / Single Precision GPU 1.5 | |
| HP EliteBook 6 G1q 14 | |
| Усредн. модель с Qualcomm Snapdragon X Plus X1P-42-100, Qualcomm SD X Adreno X1-45 1.7 TFLOPS (1539 - 1707, n=3) | |
* ... меньше = лучше
| AIDA64 / Memory Copy | |
| Lenovo ThinkPad E14 Gen 7 21U2002QGE | |
| Dell Pro 14 Plus PB14255 GH77W | |
| HP EliteBook 8 G1a 14 AD3E9ET | |
| HP EliteBook 6 G1q 14 | |
| Усредн. модель с Qualcomm Snapdragon X Plus X1P-42-100 (61258 - 63933, n=9) | |
| Asus ExpertBook B5 B5404CMA | |
| HP ProBook 445 G10 | |
| AIDA64 / Memory Read | |
| Усредн. модель с Qualcomm Snapdragon X Plus X1P-42-100 (112408 - 128030, n=9) | |
| HP EliteBook 6 G1q 14 | |
| Lenovo ThinkPad E14 Gen 7 21U2002QGE | |
| Dell Pro 14 Plus PB14255 GH77W | |
| HP EliteBook 8 G1a 14 AD3E9ET | |
| Asus ExpertBook B5 B5404CMA | |
| HP ProBook 445 G10 | |
| AIDA64 / Memory Write | |
| Lenovo ThinkPad E14 Gen 7 21U2002QGE | |
| Dell Pro 14 Plus PB14255 GH77W | |
| HP EliteBook 8 G1a 14 AD3E9ET | |
| HP EliteBook 6 G1q 14 | |
| Усредн. модель с Qualcomm Snapdragon X Plus X1P-42-100 (45782 - 49288, n=9) | |
| Asus ExpertBook B5 B5404CMA | |
| HP ProBook 445 G10 | |
| AIDA64 / Memory Latency | |
| Asus ExpertBook B5 B5404CMA | |
| Dell Pro 14 Plus PB14255 GH77W | |
| HP EliteBook 8 G1a 14 AD3E9ET | |
| Lenovo ThinkPad E14 Gen 7 21U2002QGE | |
| HP ProBook 445 G10 | |
| HP EliteBook 6 G1q 14 | |
| Усредн. модель с Qualcomm Snapdragon X Plus X1P-42-100 (6.8 - 8.7, n=5) | |
* ... меньше = лучше
Накопитель
Samsung PM9A1 быстрее, чем PM9C1 в EliteBook 8 14, но уже через несколько минут после начала нашего циклического теста DiskSpd, как показано на сравнительном графике ниже. Для вторичных SSD не предусмотрено места.
| Drive Performance rating - Percent | |
| Dell Pro 14 Plus PB14255 GH77W | |
| HP EliteBook 8 G1a 14 AD3E9ET | |
| Lenovo ThinkPad E14 Gen 7 21U2002QGE | |
| HP EliteBook 6 G1q 14 | |
| Asus ExpertBook B5 B5404CMA | |
| HP ProBook 445 G10 | |
* ... меньше = лучше
Чтение в DiskSpd, Глубина запроса 8
Видеокарта
Графическая производительность - одна из самых слабых сторон системы. Интегрированная Adreno X1 опережает даже среднюю модель Arc 130V или Radeon 860M на конкурирующих субноутбуках, особенно если учесть, что многие приложения, требовательные к GPU, должны работать в эмулированной системе.
| 3DMark Performance rating - Percent | |
| Lenovo ThinkPad T14 Gen 6 21QG001VGE -1! | |
| Lenovo ThinkPad E14 Gen 7 21U2002QGE -1! | |
| HP EliteBook 8 G1a 14 AD3E9ET -1! | |
| Dell Pro 14 Plus PB14255 GH77W -1! | |
| Asus ExpertBook B5 B5404CMA | |
| Honor MagicBook Art 14 Snapdragon -2! | |
| Усредн. модель с Qualcomm SD X Adreno X1-45 1.7 TFLOPS | |
| HP Omnibook 5 14 | |
| HP EliteBook 6 G1q 14 | |
| HP ProBook 445 G10 -1! | |
| Samsung Galaxy Book4 Edge 14 -1! | |
| Asus ZenBook A14 UX3407QA -2! | |
| HP OmniBook X 14 -1! | |
| 3DMark 11 - 1280x720 Performance GPU | |
| HP EliteBook 8 G1a 14 AD3E9ET | |
| Lenovo ThinkPad T14 Gen 6 21QG001VGE | |
| Lenovo ThinkPad E14 Gen 7 21U2002QGE | |
| Dell Pro 14 Plus PB14255 GH77W | |
| Honor MagicBook Art 14 Snapdragon | |
| Samsung Galaxy Book4 Edge 14 | |
| Asus ExpertBook B5 B5404CMA | |
| HP ProBook 445 G10 | |
| HP Omnibook 5 14 | |
| HP EliteBook 6 G1q 14 | |
| Asus ZenBook A14 UX3407QA | |
| Усредн. модель с Qualcomm SD X Adreno X1-45 1.7 TFLOPS (4031 - 4209, n=13) | |
| HP OmniBook X 14 | |
| 3DMark | |
| 1280x720 Cloud Gate Standard Graphics | |
| Asus ExpertBook B5 B5404CMA | |
| Усредн. модель с Qualcomm SD X Adreno X1-45 1.7 TFLOPS (23800 - 27960, n=5) | |
| HP Omnibook 5 14 | |
| HP EliteBook 6 G1q 14 | |
| HP ProBook 445 G10 | |
| 1920x1080 Fire Strike Graphics | |
| Lenovo ThinkPad T14 Gen 6 21QG001VGE | |
| Lenovo ThinkPad E14 Gen 7 21U2002QGE | |
| HP EliteBook 8 G1a 14 AD3E9ET | |
| Dell Pro 14 Plus PB14255 GH77W | |
| Honor MagicBook Art 14 Snapdragon | |
| Samsung Galaxy Book4 Edge 14 | |
| Asus ExpertBook B5 B5404CMA | |
| HP Omnibook 5 14 | |
| HP EliteBook 6 G1q 14 | |
| Усредн. модель с Qualcomm SD X Adreno X1-45 1.7 TFLOPS (3690 - 3852, n=13) | |
| Asus ZenBook A14 UX3407QA | |
| HP OmniBook X 14 | |
| HP ProBook 445 G10 | |
| 2560x1440 Time Spy Graphics | |
| Lenovo ThinkPad T14 Gen 6 21QG001VGE | |
| Lenovo ThinkPad E14 Gen 7 21U2002QGE | |
| HP EliteBook 8 G1a 14 AD3E9ET | |
| Dell Pro 14 Plus PB14255 GH77W | |
| Asus ExpertBook B5 B5404CMA | |
| Samsung Galaxy Book4 Edge 14 | |
| HP Omnibook 5 14 | |
| HP EliteBook 6 G1q 14 | |
| Усредн. модель с Qualcomm SD X Adreno X1-45 1.7 TFLOPS (873 - 941, n=10) | |
| HP OmniBook X 14 | |
| 3DMark 11 Performance | 4591 баллов | |
| 3DMark Cloud Gate Standard Score | 17447 баллов | |
| 3DMark Fire Strike Score | 3667 баллов | |
| 3DMark Time Spy Score | 1067 баллов | |
? | ||
| Blender | |
| v3.3 Classroom HIP/AMD | |
| HP ProBook 445 G10 | |
| v3.3 Classroom CPU | |
| Samsung Galaxy Book4 Edge 14 | |
| Asus ZenBook A14 UX3407QA | |
| Усредн. модель с Qualcomm SD X Adreno X1-45 1.7 TFLOPS (711 - 1226, n=13) | |
| HP Omnibook 5 14 | |
| HP EliteBook 6 G1q 14 | |
| HP OmniBook X 14 | |
| Honor MagicBook Art 14 Snapdragon | |
| Lenovo ThinkPad E14 Gen 7 21U2002QGE | |
| HP ProBook 445 G10 | |
| Asus ExpertBook B5 B5404CMA | |
| Lenovo ThinkPad T14 Gen 6 21QG001VGE | |
| HP EliteBook 8 G1a 14 AD3E9ET | |
| Dell Pro 14 Plus PB14255 GH77W | |
| v4.3 Barbershop CPU | |
| HP EliteBook 6 G1q 14 | |
| Усредн. модель с Qualcomm SD X Adreno X1-45 1.7 TFLOPS (4354 - 4375, n=2) | |
| HP Omnibook 5 14 | |
* ... меньше = лучше
| Performance rating - Percent | |
| Lenovo ThinkPad E14 Gen 7 21U2002QGE | |
| Dell Pro 14 Plus PB14255 GH77W -2! | |
| HP EliteBook 8 G1a 14 AD3E9ET -1! | |
| Asus ExpertBook B5 B5404CMA | |
| HP EliteBook 6 G1q 14 | |
| HP ProBook 445 G10 -2! | |
| Cyberpunk 2077 - 1920x1080 Ultra Preset (FSR off) | |
| Lenovo ThinkPad E14 Gen 7 21U2002QGE | |
| HP EliteBook 8 G1a 14 AD3E9ET | |
| Dell Pro 14 Plus PB14255 GH77W | |
| Asus ExpertBook B5 B5404CMA | |
| HP EliteBook 6 G1q 14 | |
| Baldur's Gate 3 - 1920x1080 Ultra Preset AA:T | |
| Lenovo ThinkPad E14 Gen 7 21U2002QGE | |
| HP EliteBook 8 G1a 14 AD3E9ET | |
| Dell Pro 14 Plus PB14255 GH77W | |
| Asus ExpertBook B5 B5404CMA | |
| HP EliteBook 6 G1q 14 | |
| GTA V - 1920x1080 Highest AA:4xMSAA + FX AF:16x | |
| Lenovo ThinkPad E14 Gen 7 21U2002QGE | |
| HP EliteBook 8 G1a 14 AD3E9ET | |
| HP EliteBook 6 G1q 14 | |
| Asus ExpertBook B5 B5404CMA | |
| HP ProBook 445 G10 | |
| Final Fantasy XV Benchmark - 1920x1080 High Quality | |
| Lenovo ThinkPad E14 Gen 7 21U2002QGE | |
| HP EliteBook 8 G1a 14 AD3E9ET | |
| Dell Pro 14 Plus PB14255 GH77W | |
| Asus ExpertBook B5 B5404CMA | |
| HP EliteBook 6 G1q 14 | |
| HP ProBook 445 G10 | |
| Strange Brigade - 1920x1080 ultra AA:ultra AF:16 | |
| Lenovo ThinkPad E14 Gen 7 21U2002QGE | |
| Asus ExpertBook B5 B5404CMA | |
| Asus ExpertBook B5 B5404CMA | |
| HP EliteBook 6 G1q 14 | |
| HP ProBook 445 G10 | |
| Dota 2 Reborn - 1920x1080 ultra (3/3) best looking | |
| Dell Pro 14 Plus PB14255 GH77W | |
| Asus ExpertBook B5 B5404CMA | |
| Lenovo ThinkPad E14 Gen 7 21U2002QGE | |
| HP EliteBook 6 G1q 14 | |
| HP EliteBook 8 G1a 14 AD3E9ET | |
| HP ProBook 445 G10 | |
| X-Plane 11.11 - 1920x1080 high (fps_test=3) | |
| Dell Pro 14 Plus PB14255 GH77W | |
| HP EliteBook 8 G1a 14 AD3E9ET | |
| Lenovo ThinkPad E14 Gen 7 21U2002QGE | |
| HP EliteBook 6 G1q 14 | |
| Asus ExpertBook B5 B5404CMA | |
| HP ProBook 445 G10 | |
| Dota 2 Reborn | |
| 1920x1080 high (2/3) | |
| Dell Pro 14 Plus PB14255 GH77W | |
| Lenovo ThinkPad T14 Gen 6 21QG001VGE | |
| Honor MagicBook Art 14 Snapdragon | |
| HP OmniBook X 14 | |
| HP Omnibook 5 14 | |
| Asus ExpertBook B5 B5404CMA | |
| Lenovo ThinkPad E14 Gen 7 21U2002QGE | |
| HP EliteBook 6 G1q 14 | |
| Asus ZenBook A14 UX3407QA | |
| Усредн. модель с Qualcomm SD X Adreno X1-45 1.7 TFLOPS (37 - 60.2, n=13) | |
| Samsung Galaxy Book4 Edge 14 | |
| HP EliteBook 8 G1a 14 AD3E9ET | |
| HP ProBook 445 G10 | |
| 1920x1080 ultra (3/3) best looking | |
| Lenovo ThinkPad T14 Gen 6 21QG001VGE | |
| Dell Pro 14 Plus PB14255 GH77W | |
| Honor MagicBook Art 14 Snapdragon | |
| Asus ExpertBook B5 B5404CMA | |
| HP OmniBook X 14 | |
| Lenovo ThinkPad E14 Gen 7 21U2002QGE | |
| HP Omnibook 5 14 | |
| HP EliteBook 6 G1q 14 | |
| Asus ZenBook A14 UX3407QA | |
| Усредн. модель с Qualcomm SD X Adreno X1-45 1.7 TFLOPS (29.9 - 51.8, n=13) | |
| Samsung Galaxy Book4 Edge 14 | |
| HP EliteBook 8 G1a 14 AD3E9ET | |
| HP ProBook 445 G10 | |
Частота кадров, Cyberpunk 2077
| мин. | сред. | выс. | макс. | |
|---|---|---|---|---|
| GTA V (2015) | 112 | 103.6 | 34.2 | 15.3 |
| Dota 2 Reborn (2015) | 85.6 | 67.3 | 57.6 | 49.7 |
| Final Fantasy XV Benchmark (2018) | 37.5 | 18 | 9.88 | |
| X-Plane 11.11 (2018) | 40.9 | 30.5 | 27.3 | |
| Strange Brigade (2018) | 87.4 | 29.9 | 22.7 | 19.6 |
| Baldur's Gate 3 (2023) | 13.3 | 11.7 | 10.2 | 10.1 |
| Cyberpunk 2077 (2023) | 15.2 | 11.6 | 9.81 | 8.41 |
Температурные и акустические показатели
Система охлаждения
Система остается очень тихой даже при средних нагрузках, таких как просмотр веб-страниц, многозадачность и потоковое видео, тогда как вентиляторы в большинстве систем Intel или AMD набирают скорость гораздо быстрее. Однако при полной нагрузке на процессор шум вентилятора может достигать чуть более 40 дБ(А), что является потолком для большинства субноутбуков.
Уровень шума
| Ожидание |
| 22.8 / 22.8 / 22.8 дБ |
| Нагрузка |
| 22.8 / 41.8 дБ |
![]() | ||
30 dB бесшумно 40 dB(A) различимо 50 dB(A) громко |
||
min: | ||
| HP EliteBook 6 G1q 14 SD X Plus X1P-42-100, Adreno X1-45 1.7 TFLOPS | HP EliteBook 8 G1a 14 AD3E9ET R7 250, Radeon 780M | HP ProBook 445 G10 R5 7530U, Vega 7 | Lenovo ThinkPad E14 Gen 7 21U2002QGE Core Ultra 5 228V, Arc 130V | Dell Pro 14 Plus PB14255 GH77W Ryzen AI 7 PRO 350, Radeon 860M | Asus ExpertBook B5 B5404CMA Ultra 7 155U, Graphics 4-Core iGPU (Arrow Lake) | |
|---|---|---|---|---|---|---|
| Уровень шума | -19% | -13% | -17% | -14% | -38% | |
| в выкл. виде (фон) * (dB) | 22.7 | 23.7 -4% | 24 -6% | 24.5 -8% | 24.9 -10% | 23 -1% |
| Мин. в простое * (dB) | 22.8 | 23.7 -4% | 24 -5% | 24.5 -7% | 24.9 -9% | 27.38 -20% |
| В простое, сред. * (dB) | 22.8 | 23.7 -4% | 25 -10% | 24.5 -7% | 24.9 -9% | 27.38 -20% |
| В простое, макс. * (dB) | 22.8 | 23.7 -4% | 28 -23% | 25.4 -11% | 27.6 -21% | 27.38 -20% |
| Нагрузка, сред. * (dB) | 22.8 | 39.1 -71% | 33 -45% | 38.6 -69% | 29.3 -29% | 45.35 -99% |
| Cyberpunk 2077 ultra * (dB) | 29.4 | 42.4 -44% | 34.9 -19% | 37.5 -28% | 52.3 -78% | |
| Нагрузка, макс. * (dB) | 41.8 | 42.3 -1% | 36 14% | 41.5 1% | 37.5 10% | 52.21 -25% |
| Witcher 3 ultra * (dB) | 36 |
* ... меньше = лучше
Температура
Температура поверхности заметно выше в левой половине корпуса рядом с процессором. Температура в горячих точках может достигать около 40 C, что лишь немного прохладнее, чем на ноутбуке с процессором Intel ThinkPad E14 Gen 7.
(+) Макс. температура верха корпуса составила 37.2 град. Цельсия. Типичное значение для устройств этого же класса (Office) = 34.3 градуса (-ов) при минимуме в 21.2 град. и максимуме в 62.5 град.
(±) Макс. температура дна составила 42.4 град. Цельсия. Типичное значение для устройств этого же класса = 36.8 градуса (-ов).
(+) При отсутствии вычислительной нагрузки верх корпуса нагревается в среднем до 22.5 град. Типичное значение для устройств этого же класса = 29.5 градуса (-ов).
(+) Палуба на ощупь: Прохладно (26.4 град. Цельсия).
(±) Средняя температура палубы у похожих моделей составила 27.6 град. Цельсия, это +1.2 градуса (-ов) разницы.
| HP EliteBook 6 G1q 14 SD X Plus X1P-42-100, Adreno X1-45 1.7 TFLOPS | HP EliteBook 8 G1a 14 AD3E9ET R7 250, Radeon 780M | HP ProBook 445 G10 R5 7530U, Vega 7 | Lenovo ThinkPad E14 Gen 7 21U2002QGE Core Ultra 5 228V, Arc 130V | Dell Pro 14 Plus PB14255 GH77W Ryzen AI 7 PRO 350, Radeon 860M | Asus ExpertBook B5 B5404CMA Ultra 7 155U, Graphics 4-Core iGPU (Arrow Lake) | |
|---|---|---|---|---|---|---|
| Нагрев | -10% | -19% | -5% | -10% | -20% | |
| Нагрузка, макс. сверху * (°C) | 37.2 | 41.3 -11% | 43 -16% | 41.7 -12% | 38.1 -2% | 38.6 -4% |
| Нагрузка, макс. на дне * (°C) | 42.4 | 40.5 4% | 51 -20% | 43.3 -2% | 40.1 5% | 48 -13% |
| В простое сверху * (°C) | 24.2 | 27.4 -13% | 27 -12% | 24.3 -0% | 28.9 -19% | 28.8 -19% |
| В простое на дне * (°C) | 23.6 | 28.6 -21% | 30 -27% | 25 -6% | 29.6 -25% | 33.4 -42% |
* ... меньше = лучше
Стресс-тест
| Средняя тактовая частота процессора (ГГц) | Тактовая частота графического процессора (МГц) | Средняя температура процессора (°C) | |
| Простой системы | -- | -- | 23 |
| Prime95 Stress | 2.7 | -- | 76 |
| Prime95 + FurMark Stress | 2.2 - 2.7 | 1107 | 65 - 82 |
| Cyberpunk 2077 Стресс | 3.2 | 1107 | 48 |
Акустическая система
Анализ АЧХ аудиосистемы HP EliteBook 6 G1q 14
(+) | отличный уровень макс. громкости (84.3 дБА)
Низкие частоты (100 Гц - 315 Гц)
(-) | баса почти нет (на 24% меньше медианы)
(±) | он умеренно сбалансирован
Средние частоты (400 Гц - 2000 Гц)
(+) | диапазон не провален и не выпячен (отклонение лишь 3.8% от медианы)
(+) | он ровный, без "горбов" или провалов
Высокие частоты (2 кГц - 16 кГц)
(+) | диапазон отлично сбалансирован (отклонение лишь 3.5% от медианы)
(+) | он ровный, без "горбов" или провалов
Весь диапазон (100 - 16000 Гц)
(±) | звук в целом не очень сбалансирован (15.5% отличия от медианы)
в сравнении с устройствами того же класса
» 15% прямо сравнимых устройств показал(и) себя лучше, 4% примерно так же, 81% значительно хуже
» Δ наилучшего устройства из прямо сравнимых: 7%, средняя Δ: 21%, худший результат: 53%
в сравнении со всеми тестированными устройствами
» 22% известных нам устройств показал(и) себя лучше, 4% примерно так же, 74% значительно хуже
» Δ наилучшего устройства среди известных нам: 4%, средняя Δ: 24%, худший результат: 134%
Анализ АЧХ аудиосистемы Apple MacBook Pro 16 2021 M1 Pro
(+) | отличный уровень макс. громкости (84.7 дБА)
Низкие частоты (100 Гц - 315 Гц)
(+) | бас отлично сбалансирован (отклонение лишь 3.8% от медианы)
(+) | он ровный, без "горбов" или провалов
Средние частоты (400 Гц - 2000 Гц)
(+) | диапазон не провален и не выпячен (отклонение лишь 1.3% от медианы)
(+) | он ровный, без "горбов" или провалов
Высокие частоты (2 кГц - 16 кГц)
(+) | диапазон отлично сбалансирован (отклонение лишь 1.9% от медианы)
(+) | он ровный, без "горбов" или провалов
Весь диапазон (100 - 16000 Гц)
(+) | звук в целом сбалансирован (4.6% отличия от медианы)
в сравнении с устройствами того же класса
» 0% прямо сравнимых устройств показал(и) себя лучше, 0% примерно так же, 100% значительно хуже
» Δ наилучшего устройства из прямо сравнимых: 5%, средняя Δ: 17%, худший результат: 45%
в сравнении со всеми тестированными устройствами
» 0% известных нам устройств показал(и) себя лучше, 0% примерно так же, 100% значительно хуже
» Δ наилучшего устройства среди известных нам: 4%, средняя Δ: 24%, худший результат: 134%
Энергопотребление и автономость
Потребляемая мощность
EliteBook на базе Snapdragon ожидаемо очень эффективен, особенно при выполнении обычных повседневных нагрузок, таких как браузеры или видео. Он может быть более требовательным, чем система с Core Ultra 7 258V, такая как ThinkPad T14 G6 когда процессор полностью загружен, но при этом он предлагает более высокую производительность при аналогичном уровне производительности на ватт.
Мы зафиксировали максимальное потребление 69 Вт от небольшого (~8,9 x 5 x 2,8 см) 65-ваттного адаптера USB-C.
| Выкл. | |
| Ожидание | |
| Нагрузка |
|
Легенда:
min: | |
| HP EliteBook 6 G1q 14 SD X Plus X1P-42-100, Adreno X1-45 1.7 TFLOPS, Samsung PM9A1 MZVL2512HCJQ, IPS, 1920x1200, 14" | HP EliteBook 8 G1a 14 AD3E9ET R7 250, Radeon 780M, Samsung PM9C1 MZVL81T0HELB-00BTW, IPS LED, 1920x1200, 14" | HP ProBook 445 G10 R5 7530U, Vega 7, Kioxia BG5 KBG50ZNS512G, IPS, 1920x1080, 14" | Lenovo ThinkPad E14 Gen 7 21U2002QGE Core Ultra 5 228V, Arc 130V, Samsung PM9C1b MZVL81T0HFLB-00BH1, IPS, 2880x1800, 14" | Dell Pro 14 Plus PB14255 GH77W Ryzen AI 7 PRO 350, Radeon 860M, Micron 2500 1TB MTFDKBA1T0QGN, IPS LED, 1920x1200, 14" | Asus ExpertBook B5 B5404CMA Ultra 7 155U, Graphics 4-Core iGPU (Arrow Lake), Micron 2400 MTFDKBA1T0QFM, IPS, 1920x1200, 14" | |
|---|---|---|---|---|---|---|
| Энергопотребление | -44% | -58% | -63% | -53% | -59% | |
| В простое, мин. * (Watt) | 3.4 | 3.2 6% | 7 -106% | 3.9 -15% | 3.7 -9% | 2.57 24% |
| В простое, сред. * (Watt) | 4.5 | 5.2 -16% | 8 -78% | 7.2 -60% | 7.3 -62% | 5.95 -32% |
| В простое, макс. * (Watt) | 5.9 | 6.1 -3% | 9 -53% | 8.6 -46% | 8.5 -44% | 6.85 -16% |
| Нагрузка, сред. * (Watt) | 18.4 | 41.8 -127% | 34 -85% | 39.9 -117% | 37.4 -103% | 45.6 -148% |
| Cyberpunk 2077 ultra * (Watt) | 22.1 | 42.1 -90% | 44.8 -103% | 35.9 -62% | 48.6 -120% | |
| Cyberpunk 2077 ultra external monitor * (Watt) | 20.1 | 41.6 -107% | 42.1 -109% | 40.3 -100% | 48 -139% | |
| Нагрузка, макс. * (Watt) | 69.2 | 50.5 27% | 47 32% | 61 12% | 64.6 7% | 55.7 20% |
| Witcher 3 ultra * (Watt) | 36.2 |
* ... меньше = лучше
Энергопотребление: Cyberpunk 2077, Стресс-тест
Энергопотребление с внешним монитором
Автономность
Время работы очень велико - почти 16 часов работы в реальном режиме от батареи 56 Втч. Также доступны конфигурации с более компактной и легкой батареей на 48 Втч.
| HP EliteBook 6 G1q 14 SD X Plus X1P-42-100, Adreno X1-45 1.7 TFLOPS, 56 Вт⋅ч | HP EliteBook 8 G1a 14 AD3E9ET R7 250, Radeon 780M, 62 Вт⋅ч | HP ProBook 445 G10 R5 7530U, Vega 7, 42 Вт⋅ч | Lenovo ThinkPad E14 Gen 7 21U2002QGE Core Ultra 5 228V, Arc 130V, 64 Вт⋅ч | Dell Pro 14 Plus PB14255 GH77W Ryzen AI 7 PRO 350, Radeon 860M, 55 Вт⋅ч | Asus ExpertBook B5 B5404CMA Ultra 7 155U, Graphics 4-Core iGPU (Arrow Lake), 63 Вт⋅ч | |
|---|---|---|---|---|---|---|
| Время работы | -11% | -40% | -8% | -26% | -18% | |
| Чтение сайтов по Wi-Fi v.2 (h) | 15.9 | 14.2 -11% | 9.5 -40% | 14.6 -8% | 11.8 -26% | 13.1 -18% |
| Нагрузка и 100% яркости (h) | 1.8 | 1.8 | ||||
| Воспр. видео H.264 (h) | 12.7 |
Общая оценка Notebookcheck
Очень долгое время работы от батареи, тихая работа и богатые возможности подключения делают HP EliteBook 6 G1q 14 привлекательным бизнес-ноутбуком, если на нем работают преимущественно ARM-нативные приложения.
HP EliteBook 6 G1q 14
- 02 January 2026 v8
Allen Ngo
Альтернативные варианты
Изображение | Модель / Обзор | Цена | Вес | Height | Экран |
|---|---|---|---|---|---|
| HP EliteBook 6 G1q 14 Qualcomm Snapdragon X Plus X1P-42-100 ⎘ Qualcomm SD X Adreno X1-45 1.7 TFLOPS ⎘ 32 Гбайт ОЗУ, 512 Гбайт SSD | Amazon: $1,346.55 Прейскурантная цена: 1300 USD | 1.5 килог. | 17 мм | 14.00" 1920x1200 162 PPI IPS | |
| HP EliteBook 8 G1a 14 AD3E9ET AMD Ryzen 7 250 ⎘ AMD Radeon 780M ⎘ 32 Гбайт ОЗУ, 1024 Гбайт SSD | Amazon: $1,995.50 Прейскурантная цена: 1695 Euro | 1.4 килог. | 19.1 мм | 14.00" 1920x1200 162 PPI IPS LED | |
| HP ProBook 445 G10 AMD Ryzen 5 7530U ⎘ AMD Radeon RX Vega 7 ⎘ 16 Гбайт ОЗУ, 512 Гбайт SSD | Amazon: 1. $699.99 HP ProBook 450 G10 Business ... 2. $582.00 HP ProBook 455 G10 15.6" Not... 3. $21.99 GVKRLXZ 65W USB-C Power Adap... Прейскурантная цена: 830 EUR | 1.3 килог. | 20 мм | 14.00" 1920x1080 157 PPI IPS | |
| Lenovo ThinkPad E14 Gen 7 21U2002QGE Intel Core Ultra 5 228V ⎘ Intel Arc Graphics 130V ⎘ 32 Гбайт ОЗУ, 1000 Гбайт SSD | Amazon: 1. $1,399.99 Lenovo ThinkPad E14 Gen 7 La... 2. $884.95 Lenovo 14" ThinkPad E14 Gen ... 3. $799.99 Lenovo ThinkPad E14 Gen 6 21... Прейскурантная цена: 1199€ | 1.4 килог. | 15.3 мм | 14.00" 2880x1800 243 PPI IPS | |
| Dell Pro 14 Plus PB14255 GH77W AMD Ryzen AI 7 PRO 350 ⎘ AMD Radeon 860M ⎘ 32 Гбайт ОЗУ, 1024 Гбайт SSD | Amazon: $1,324.77 Прейскурантная цена: 1630 Euro | 1.6 килог. | 22 мм | 14.00" 1920x1200 162 PPI IPS LED | |
| Asus ExpertBook B5 B5404CMA Intel Core Ultra 7 155U ⎘ Intel Graphics 4-Core iGPU (Meteor / Arrow Lake) ⎘ 16 Гбайт ОЗУ, 1024 Гбайт SSD | Amazon: $1,582.22 Прейскурантная цена: 1340 USD | 1.3 килог. | 19 мм | 14.00" 1920x1200 162 PPI IPS |
Декларация о непредвзятости
Отбор устройств для обзора осуществляется нашей редакцией. Тестовый образец был предоставлен автору производителем или продавцом для целей настоящего обзора. Кредитор не имел никакого влияния на этот обзор, и производитель не получил копию этого обзора до публикации. Обязанности публиковать этот обзор не было. Являясь независимой медиа-компанией, Notebookcheck не подчиняется власти производителей, розничных продавцов или издателей.
Вот как проводит тестирование Notebookcheck
Каждый год Notebookcheck независимо проверяет сотни ноутбуков и смартфонов, используя стандартизированные процедуры, чтобы гарантировать сопоставимость всех результатов. В течение примерно 20 лет мы постоянно совершенствовали наши методы испытаний и при этом установили отраслевые стандарты. В наших испытательных лабораториях опытные специалисты и редакторы используют высококачественное измерительное оборудование. Эти тесты включают в себя многоэтапный процесс проверки. Наша сложная рейтинговая система основана на сотнях обоснованных измерений и критериев, что обеспечивает объективность.



























































